特注品ご相談について
特注品のご相談はメールフォームもしくは電話でお問い合わせ下さい。
| タイプ | モールド型 (単3-1/2) |
交換式 (単3-1/2) |
SW式交換式 (単3-1/2) |
薄型交換式 |
|---|---|---|---|---|
| 型式 | WTR-B1R | WTR-B2R | WTR-B2SR | WTR-B3 |
| 写真 |
|
|
|
|
| 電池容量 | 3.6V/1200mA | 3.6V/550mA | ||
| 使用時間 | 3.6V/1200mA | 3.6V/550mA | ||
| 充電機能 | なし | |||
| 耐遠心G | 3000G ※WTR-B2SRのみスイッチのOFF方向に遠心力が1500G以上掛かるとOFFになります。 |
|||
| 使用電池 | リチウム電池 LS14250 |
コイン型 リチウム電池 TLH2450 |
||
| 電池交換 | 不可 | 可能 | ||
| 使用温度 | -30~80℃ | -30~125℃ | ||
| 外形 (mm)・重量 |
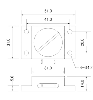
W20-D55-H23・35g | W22-D55-H27・36g | W22-D63-H27・43g | W51-D31-H14・26g |
| 外形図 |
|
|
|
|
| タイプ | 薄型充電式 | 超薄型充電式 (固定穴付) |
交換式(単3) | 大容量充電式 |
|---|---|---|---|---|
| 型式 | WTR-B4 | WTR-B5SR | WTR-B6R | WTR-B8 |
| 写真 |
|
|
|
|
| 電池容量 | 3.6V/200mA | 4.2V/150mA | 3.6V/2600mA | 4.2V/900mA |
| 使用時間 | 温度:20H 歪:6H (120Ω) |
温度:12H 歪:5H (120Ω) |
温度:150H 歪:50H |
温度:70H 歪:25H |
| 充電機能 | 充電400回迄 | なし | 充電400回迄 | |
| 耐遠心G | 3000G | 1000G | 3000G | |
| 使用電池 | リチウムイオンポリマー 充電池内蔵 |
リチウム電池 LS14500 |
リチウムイオン ポリマー 充電池内蔵 |
|
| 電池交換 | 不可 | 可能 | 不可 | |
| 使用温度 | -10~60℃ | -30~80℃ | -10~60°C | |
| 外形 (mm)・重量 |
W30-D40-H10・25g | W24-D49.5-H5.5・11g | W42-D61-H23.5・59g | W42-D42-H13・39g |
| 外形図 |
|
|
|
|
| タイプ | 交換式 (単3-3本) |
大容量交換式 (単1-2本) |
|---|---|---|
| 型式 | WTR-B9 | WTR-B10 |
| 写真 |
|
|
| 電池容量 | 3.6V/7800mA (並列接続時) |
3.6V/14Ah |
| 使用時間 | 並列接続時 温度:500H 歪:200H |
温度:2000H 歪:750H |
| 充電機能 | なし | |
| 耐遠心G | 1000G | 100G |
| 使用電池 | リチウム電池 LS14500 |
リチウム電池 LS33600 |
| 電池交換 | 可能 | |
| 使用温度 | -30~80℃ | |
| 外形 (mm)・重量 |
W102-D61-H25・ 191g |
W110-D80-H47mm・ 700g |
| 外形図 |
|
|
| 品名 | 型式 | 熱電対時 | 電池 交換 |
充電 機能 |
使用電池 | 使用温度 範囲 (℃) |
耐遠心(G) 全方向 |
備考 | ||
|---|---|---|---|---|---|---|---|---|---|---|
| 熱電対時 | 350Ω歪時 | 120Ω歪時 | ||||||||
| モールド型 | WTR-B1 | 80 | 40 | 30 | ○ | ー | リチウム電池 単3の1/2-1本 |
-30~80 | 3000 | |
| 交換型 | WTR-B2R | |||||||||
| SW付き交換型 | WTR-B2SR | |||||||||
| 薄型 交換型 |
WTR-B3 | 40 | 14 | 12 | コイン型 リチウム電池 |
-30~125 | ||||
| 薄型 充電型 |
WTR-B4 | 20 | 10 | 6 | ー | ○ 充電2H |
リチウム ポリマー電池 3.6V-200mAH |
-20~60 | 充電用AC アダプタ 付属 |
|
| 超薄型 充電型 |
WTR-B5S | 12 | 6 | 5 | リチウム ポリマー電池 3.6V-120mAH |
|||||
| 単3 交換型 |
WTR-B6R | 150 | 65 | 50 | ○ | ー | リチウム電池 単3-1本 |
-30~80 | 1000 | |
| 大容量 充電型 |
WTR-B8 | 70 | 30 | 25 | ー | ○ 充電2H |
リチウム ポリマー電池 3.6V-900mAH |
-20~60 | 3000 | 充電用AC アダプタ 付属 |
| 単3-3本 交換型 |
WTR-B9 | 500 | 240 | 200 | ○ | ー | リチウム電池 単3-3本 |
‐30〜80 | 1000 | |
| 単1-2本 交換型 |
WTR-B10 | 2000 | 900 | 750 | リチウム電池 単1-2本 |
200 | ||||
| タイプ | アンテナ | L型アンテナ | 小型アンテナ | 線アンテナ |
|---|---|---|---|---|
| 型式 | ANT | ANT1 | WTR-ANT2-* | WTR-ANT3-* |
| 写真 |
|
|
|
|
| 備考 |
全長:74mm 重量:13g |
受信機付属品 全長:83mm 重量:12g |
最長2m迄 アンテナ部寸法 W10-L20-H5mm 形状変更可能 |
| タイプ | 送信アンテナ線 | アンテナ延長ケーブル |
|---|---|---|
| 型式 | WTR-ANT4 | WTR-EXT-*m |
| 写真 |
|
|
| 備考 | 送信機WTR-61 付属品 アンテナケーブル付き (10cm) |
*=3/5/10/15m いずれかを選択 以外は要相談 |
| タイプ | アンテナ固定金具 | WTR-61/62固定板 (バンド通し穴付) |
WTR-61/62固定板 (バンド通し穴付) |
|---|---|---|---|
| 型式 | WTR-LK01 | WTR-KK01 | WTR-KK02 |
| 写真備考 |
|
|
|
| 図 |
|
|
|
| タイプ | WTR-B6R固定板 (バンド通し穴付) |
WTR-B2 蓋開閉工具 |
|---|---|---|
| 型式 | WTR-KK03 | WTR-B2K |
| 図 |
|
|
| 図 |
|
|
| 備考 | なし | なし |
| タイプ | 単3-1/2 | 単3-1/2 (リード線付き) |
単3-1/2 | 単3-1/2 (リード線付き) |
|---|---|---|---|---|
| 型式 | LS14250 | LS14250CNA | TLH-5902/N | TLH-5902/P |
| 製造元 | SAFT(フランス) | TADILAN(イスラエル) | ||
| 定格容量 | 3.6V-1.1Ah | 3.6V-0.9Ah | ||
| 使用温度 | -40~85℃ | -40~125℃ | ||
| 外形・重量 | Φ14.5-H25.2mm・5g | |||
| 写真備考 |
|
|
|
|
| 使用電池ケース | WTR-B1/B2 |
該当電池ケースなし 単独使用 |
WTR-B1/B2 |
該当電池ケースなし 単独使用 |
| タイプ | 単3 | コイン型 | 単1 |
|---|---|---|---|
| 型式 | LS14500 | TLH-2450 | LS33600 |
| 製造元 | SAFT(フランス) | TADILAN (イスラエル) |
SAFT(フランス) |
| 定格容量 | 3.6V-2.6Ah | 3.6V-0.55Ah | 3.6V-17Ah |
| 使用温度 | -40~85℃ | -40~125℃ | -60~85°C |
| 外形・重量 | Φ14.5-H50.3mm 17g |
Φ24-H5.6mm 6g |
Φ33.4-H61.6・90g |
| 写真 |
|
|
|
| 使用電池ケース | WTR-B6/B7/B9 | WTR-B3 | WTR-B10 |
特注品のご相談はメールフォームもしくは電話でお問い合わせ下さい。